1 цена действительна только для интернет-магазина и может отличаться от цен в магазинах и мастерских;
2 для получения оптовых цен свяжитесь с менеджером.
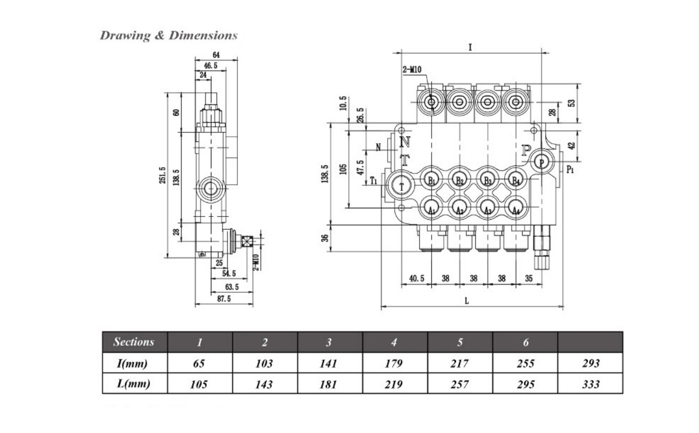
Моноблочный гидрораспределитель серии Р80 (1 секция)
Характеристики
Тип
с ручным управлением, моноблочный, 1 секция
5 113 ₽/шт
Много
-
+
Купить
Описание
Параметры серии Р80
Клапаны серии P80 со средне-высоким рабочим давлением и моноблочной конструкцией разработаны на основе европейских технологий.
- Встроенный обратный клапан: предотвращает обратный поток рабочей жидкости в корпусе распределителя.
- Встроенный предохранительный (перепускной) клапан: позволяет регулировать рабочее давление гидросистемы.
- Гидролиния (Oil way): параллельная схема, опция Power Beyond (выход на следующую секцию/потребитель).
- Управление (Control Way): ручное; пневматическое; гидравлическое и электрическое — опционально.
- Конструкция распределителя: моноблок, 1–6 секций.
- Типы золотников (Spool Function): O, Y, P, A.
- Опция: гидрозамок может устанавливаться на порты A и B.
- Доступные варианты исполнения: ручное, пневматическое, электрическое; а также комбинированные варианты (электро-пневматическое, гидро-электрическое и т.п.).
- Порты: P, A, B — G1/2; T (слив) — G3/4.
- Функция золотника: O (двойного действия).
- Тип возврата золотника: T (пружинный возврат).
- Давление настройки предохранительного клапана: 200 бар.
- Резьба рукоятки: M10.
- Номинальный расход: 80 л/мин.
- Максимальное рабочее давление: P = 315 бар; T = 50 бар; A, B = 300 бар.
- Внутренняя утечка (A, B → T): 6 см³/мин при 100 бар.
- Температура окружающей среды: −40 °C … +60 °C.
- Рабочая жидкость: гидравлические масла на минеральной основе.
- Диапазон вязкости: 12 … 800 мм²/с.
- Температура рабочей жидкости: −15 °C … +80 °C.
- Тонкость фильтрации: 10 мкм (класс чистоты по NAS 1638).
|
Nom. Pressure (MPa) |
Max. Pressure (MPa) |
Nom. Flow rate (L/min) |
Max. Flow rate (L/min) |
Back Pressure (MPa) |
Hydraulic oil | ||
|---|---|---|---|---|---|---|---|
|
Temp. range (°C) |
Visc. range (mm²/s) |
Filtering accuracy (μm) |
|||||
| 20 | 31.5 | 80 | 80 | ≤ 1 | -20 ~ +80 | 10 ~ 400 | ≤ 10 |
Оплата
Вы можете выбрать один из двух вариантов оплаты:
Онлайн оплата на сайте (для Физических лиц)
При оформлении заказа в корзине вы можете выбрать вариант безналичной оплаты. Чтобы оплатить покупку, вас перенаправит на сервер системы оплаты ЮКасса, Сбербанк и СБП.
Статус оплаты можно отслеживать через личный кабинет.
Безналичный расчёт (для Юридических лиц)
При оформлении заказа укажите реквизиты Юридического лица и автоматически сформируется Счёт на оплату.Статус оплаты можно отслеживать через личный кабинет.
Оплата наличными НЕВОЗМОЖНА
Доставка
Наш интернет-магазин предлагает несколько вариантов доставки:
Самовывоз со Склада
- Самовывоз со Склада (МО, г. Химки)
- Яндекс-доставка (ПВЗ Я.Маркет)
- СДЭК
- Деловые Линии (более 15кг)
Самовывоз со Склада
Вы можете забрать товар со Склада (МО, г. Химки)
Доставка ТК СДЭК, Деловые Линии или до ПВЗ Яндекс.Маркета
Действуют стандартные условия доставки перечисленных ТК




